| 产品栏目 / Product |
|
| |
|
地址:无锡市经开区华庄街道高运路139号五楼
邮编:214024
电话:0510-85729919
传真:0510-85765799
网 址:Http://www.wxfeihang.com
|
|
|
|
当前位置:主页 >> 产品展示 >> ZXQ700A,ZXQ800A,ZXQ1000A 产品展示 /Product
|
| ZXQ700A,ZXQ800A,ZXQ1000A |
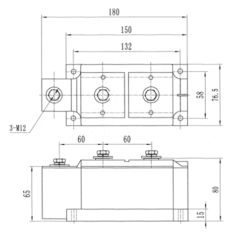
| 型号及外形图 |

|

|
| 线路图 |

|
| 技术参数 |
型号
|
技术参数
|
IF(AV)
|
IFSM
|
I2t
|
VRRM
|
IRRM
|
VFM
|
Tj
|
Rjc
|
VISO
|
F-L
|
A
|
A
|
A2S
|
V
|
mA
|
V
|
℃
|
℃/W
|
V
|
模块安装
N•m
|
电极连接
N•m
|
|
ZXQ
|
100
|
2200
|
24×103
|
800
~
1800
|
≤6
|
≤1.65
|
-40
~
150
|
0.45
|
≥2500
|
4.5
|
3.5
|
160
|
3200
|
60×103
|
≤8
|
≤1.80
|
0.30
|
4.5
|
4.5
|
200
|
4000
|
80×103
|
≤8
|
≤1.80
|
0.20
|
4.5
|
4.5
|
250
|
4700
|
120×103
|
≤10
|
≤1.80
|
0.15
|
4.5
|
10
|
300
|
5600
|
160×103
|
≤10
|
≤1.80
|
0.11
|
4.5
|
10
|
350
|
6400
|
220×103
|
≤10
|
≤2.00
|
0.10
|
4.5
|
10
|
400
|
7500
|
280×103
|
≤10
|
≤2.00
|
0.09
|
4.5
|
10
|
500
|
9400
|
440×103
|
≤12
|
≤2.00
|
0.065
|
4.5
|
10
|
600
|
11000
|
600×103
|
≤12
|
≤2.00
|
0.055
|
4.5
|
10
|
700
|
13000
|
850×103
|
≤15
|
≤2.00
|
0.050
|
4.5
|
12
|
800
|
15000
|
1100×103
|
≤15
|
≤2.00
|
0.042
|
4.5
|
12
|
1000
|
19000
|
1800×103
|
≤15
|
≤2.00
|
0.030
|
4.5
|
12
|
|
MDC
|
100
|
1400
|
10×103
|
≤6
|
≤1.65
|
0.45
|
4.5
|
3.5
|
160
|
2100
|
22×103
|
≤8
|
≤1.80
|
0.30
|
4.5
|
4.5
|
200
|
2800
|
40×103
|
≤8
|
≤1.80
|
0.20
|
4.5
|
4.5
|
|
| |
| 1. ZXQ系列模块为压接式结构,MDC系列模块为焊接式结构 |
| |
| 2. 测试参数 |
| VRRM |
反向重复峰值电压 |
| IRRM |
反向重复峰值电流 |
| VFM |
正向峰值电压 |
| VISO |
绝缘耐压 |
|
| 3. 试验参数: |
| IF(AV) |
正向平均电流 |
| IFSM |
浪涌电流 |
| I2t |
浪涌电流平方时间积 |
| Tj |
工作结温 |
| Rjc |
结壳热阻 |
|
| 4. 安装参数: |
|
|
| | |  |
|
|