| 产品栏目 / Product |
|
| |
|
地址:无锡市经开区华庄街道高运路139号五楼
邮编:214024
电话:0510-85729919
传真:0510-85765799
网 址:Http://www.wxfeihang.com
|
|
|
|
当前位置:主页 >> 产品展示 >> MDS75A(F),MDS100A(F) 产品展示 /Product
|
| MDS75A(F),MDS100A(F) |
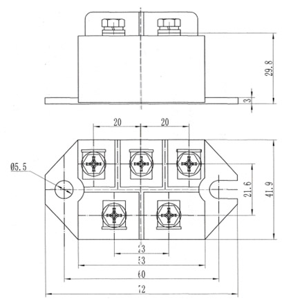
| 型号及外形图 |

|

|
| 线路图 |

|
| 技术参数 |
型号
|
技术参数
|
IO
|
IFSM
|
I2t
|
VRRM
|
IRRM
|
VFM
|
Tj
|
Rjc
|
VISO
|
F-L
|
A
|
A
|
A2S
|
V
|
mA
|
V
|
℃
|
℃/W
|
V
|
模块安装
N•m
|
电极连接
N•m
|
|
MDS
|
30
|
270
|
0.8×103
|
800
~
1800
|
≤3
|
≤1.30
|
-40
~
150
|
1.20
|
≥2500
|
3.5
|
|
60
|
360
|
1.2×103
|
≤3
|
≤1.30
|
0.80
|
3.5
|
2.3
|
75
|
450
|
1.8×103
|
≤5
|
≤1.30
|
0.60
|
4.5
|
3.5
|
100
|
630
|
3.2×103
|
≤5
|
≤1.30
|
0.40
|
4.5
|
3.5
|
150
|
900
|
8.6×103
|
≤9
|
≤1.30
|
0.30
|
4.5
|
4.5
|
200
|
1200
|
14.7×103
|
≤9
|
≤1.30
|
0.25
|
4.5
|
4.5
|
SQL
|
50
|
320
|
1.0×103
|
≤4
|
≤1.30
|
1.50
|
|
4.5
|
|
|
| |
| 1. 测试参数 |
| VRRM |
反向重复峰值电压 |
| IRRM |
反向重复峰值电流 |
| VFM |
正向峰值电压 |
| VISO |
绝缘耐压 |
|
| 2. 试验参数: |
| IO |
直流输出电流 |
| IFSM |
浪涌电流 |
| I2t |
浪涌电流平方时间积 |
| Tj |
工作结温 |
| Rjc |
结壳热阻 |
|
| 3. 安装参数: |
|
|
| | |  |
|
|