| 产品栏目 / Product |
|
| |
|
地址:无锡市经开区华庄街道高运路139号五楼
邮编:214024
电话:0510-85729919
传真:0510-85765799
网 址:Http://www.wxfeihang.com
|
|
|
|
当前位置:主页 >> 产品展示 >> KZQ250A,KZQ300A,KZQ350A 产品展示 /Product
|
| KZQ250A,KZQ300A,KZQ350A |
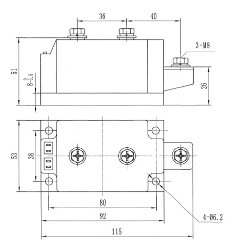
| 型号及外形图 |

|

|
| 线路图 |

|
| 技术参数 |
|
型号
|
技术参数
|
IT(AV)
|
ITSM
|
I2t
|
VDRMVRRM
|
IDRM
IRRM
|
VTM
|
Tj
|
Rjc
|
VISO
|
IH
|
IGT
|
VGT
|
dv/dt
|
A
|
A
|
A2S
|
V
|
mA
|
V
|
℃
|
℃/W
|
V
|
mA
|
mA
|
V
|
V/μs
|
|
|
25
|
870
|
3.7×103
|
800
~
1800
|
≤6
|
≤1.8
|
-40
~
125
|
0.6
|
≥2500
|
120
|
60
|
1.5
|
50
~
1000
|
55
|
1400
|
9.8×103
|
≤8
|
≤1.8
|
0.4
|
120
|
60
|
1.5
|
90
|
1700
|
14×103
|
≤10
|
≤2.0
|
0.3
|
120
|
60
|
1.5
|
160
|
2500
|
30×103
|
≤12
|
≤2.0
|
0.16
|
120
|
80
|
1.8
|
100
~
1000
|
200
|
3100
|
45×103
|
≤15
|
≤2.0
|
0.14
|
120
|
80
|
1.8
|
250
|
3900
|
75×103
|
≤15
|
≤2.2
|
0.12
|
120
|
80
|
1.8
|
300
|
5600
|
150×103
|
≤20
|
≤2.4
|
0.08
|
150
|
100
|
2.0
|
350
|
6500
|
210×103
|
≤20
|
≤2.4
|
0.06
|
150
|
100
|
2.0
|
400
|
7500
|
280×103
|
≤20
|
≤2.4
|
0.05
|
150
|
100
|
2.0
|
500
|
9400
|
440×103
|
≤20
|
≤2.4
|
0.04
|
200
|
100
|
2.0
|
600
|
11000
|
600×103
|
≤20
|
≤2.4
|
0.035
|
200
|
100
|
2.0
|
|
| |
| 1. 测试参数 |
| VDRM |
断态重复峰值电压 |
| VRRM |
反向重复峰值电压 |
| IDRM |
断态重复峰值电流 |
| IRRM |
反向重复峰值电流 |
| IH |
维持电流 |
| IGT |
门极触发电流 |
| VGT |
门极触发电压 |
| VFM |
通态峰值电压 |
| VISO |
绝缘耐压 |
|
| 2. 试验参数: |
| IT(AV) |
通态平均电流 |
| IFSM |
浪涌电流 |
| I2t |
浪涌电流平方时间积 |
| dv/dt |
电压上升率 |
| Tj |
工作结温 |
| Rjc |
结壳热阻 |
|
| | |  |
|
|